TRC减速机是一种硬齿面减速机,具有高精度、高刚性、高传动效率、低噪音等优点。它广泛应用于各种工业领域,如钢铁、石油化工、电力等。TRC减速机的生产厂家可以根据不同的需求进行定制,包括减速比、安装形式、级数等参数。
TRC减速机的型号包括5.5kw斜齿轮减速机TRC05、0.75kw专用减速机TRC03铝合金立式硬齿面型减速机、180w~7.5kw两级齿轮减速电机等。这些型号的减速机都具有轻量化、高效率、低噪音等优点,适用于各种不同的应用场景。
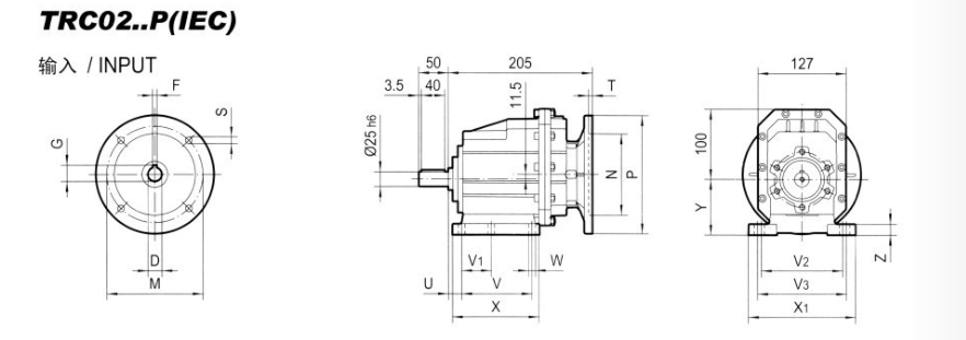
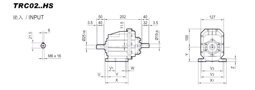
下面是TRC02减速机的型号,不同厂家型号表示方式有差异,具体的型号请咨询客服了解。
| TRC02-40.66-P63 B5 | TRC02-46.46-P71 B5 | TRC02-9.93-P80 B14 | TRC02-3.66-P90 B14 | TRC02-7.39-P90 B5 |
| TRC02-46.46-P63 B5 | TRC02-54.00-P71 B5 | TRC02-12.05-P80 B14 | TRC02-4.43-P90 B14 | TRC02-8.78-P90 B5 |
| TRC02-54.00-P63 B5 | TRC02-14.81-P80 B5 | TRC02-13.21-P80 B14 | TRC02-5.45-P90 B14 | TRC02-9.93-P90 B5 |
| TRC02-28.88-P71 B5 | TRC02-17.10-P80 B5 | TRC02-14.81-P80 B14 | TRC02-7.39-P90 B14 | TRC02-12.05-P90 B5 |
| TRC02-35.91-P71 B5 | TRC02-23.85-P80 B5 | TRC02-17.10-P80 B14 | TRC02-8.78-P90 B14 | TRC02-13.21-P90 B5 |
| TRC02-40.60-P71 B5 | TRC02-28.88-P80 B5 | TRC02-23.85-P80 B14 | TRC02-9.93-P90 B14 | TRC02-14.81-P90 B5 |
| TRC02-46.46-P71 B5 | TRC02-35.91-P80 B5 | TRC02-28.88-P80 B14 | TRC02-12.05-P90 B14 | TRC02-17.10-P90 B5 |
| TRC02-54.00-P71 B5 | TRC02-40.60-P80 B5 | TRC02-35.91-P80 B14 | TRC02-13.21-P90 B14 | TRC02-23.85-P90 B5 |
| TRC02-17.10-P71 B5 | TRC02-46.46-P80 B5 | TRC02-40.60-P80 B14 | TRC02-14.81-P90 B14 | TRC02-40.60-P71 B5 |
| TRC02-23.85-P71 B5 | TRC02-54.00-P80 B5 | TRC02-46.46-P80 B14 | TRC02-17.10-P90 B14 | TRC02-8.78-P80 B14 |
| TRC02-28.88-P71 B5 | TRC02-5.45-P80 B14 | TRC02-3.66-P90 B5 | TRC02-23.85-P90 B14 | TRC02-5.45-P90 B5 |
| TRC02-35.91-P71 B5 | TRC02-7.39-P80 B14 | TRC02-4.43-P90 B5 | TRC02-28.88-P90 B14 | TRC02-35.91-P90 B14 |
TRC02硬齿面斜齿轮减速机具有以下的性能优势:
传动效率高:采用齿轮传动方式,传动效率较高。通过优化设计和精确制造,能够降低传动过程中的摩擦和能源损耗,进一步提高传动效率。
传动稳定性好:硬齿面齿轮的设计结构具有很强的耐久性和负载能力。特别是在高扭矩和高转速的工作条件下,硬齿面齿轮减速机表现出良好的工作稳定性和可靠性。

TRC减速机选型需要注意以下几点:
确认所需TRC减速机的规格和型号,包括减速比、安装形式、级数等参数。需要根据实际应用场景选择合适的规格和型号,以满足所需的传动扭矩、转速和安装要求。
确认TRC减速机的性能特点和使用要求,以确保选择合适的型号和规格。需要了解TRC减速机的传动效率、噪音、耐久性、维护要求等方面的性能特点,并根据实际使用要求进行选择。
了解TRC减速机的生产厂家和品牌,并确认其售后服务和质量保证。选择知名品牌和有良好售后服务的生产厂家,可以保证产品质量和售后服务。
确认TRC减速机的价格和交货时间,并与厂家或经销商协商并达成一致。需要根据实际需求和预算选择合适的价格和交货时间,并确保与厂家或经销商达成一致。
注意最大扭矩问题。只要最大负载扭矩不超过减速机能承受的最大扭矩,就能保证减速机在运行过程中不会因过载而损坏。因此需要根据实际应用场景选择合适的最大扭矩。

购买须知:我司VEMTE品牌所有系列产品,标准常用的,仓库均备有现货2000台左右,非常用的需排单定做,请联系客服咨询货期。凡购买我司品牌VEMTE系列产品,不分价格高低,保修期内非人为原因返回厂家维修或者是快递零部件给用户自己更换。两年后免费维修,只收取零件成本费用。因各种设备企业对产品的要求标准不同,如果您的设备是出口的,请告知客服转接我司VEMTE工程部,告知您的高标准,我们VEMTE工程部会为您量身定做百分百符合要求的产品。
更多TRC硬齿面减速机型号请查看http://italygd.com



