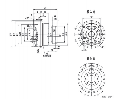
ND064系列精密行星减速器型号如下,不同厂家的行星减速机型号表示方式之间有差异,具体型号可咨询客服了解,或者直接拨打我们的联系方式。
| ND064系列超精密背隙行星减速机系列: | ND064系列精密背隙行星减速器系列: | ND064系列标准背隙行星减速机系列: |
| ND064-4-S2-P0 | ND064-4-S2-P1 | ND064-4-S2-P2 |
| ND064-5-S2-P0 | ND064-5-S2-P1 | ND064-5-S2-P2 |
| ND064-7-S2-P0 | ND064-7-S2-P1 | ND064-7-S2-P2 |
| ND064-10-S2-P0 | ND064-10-S2-P1 | ND064-10-S2-P2 |
关于行星减速机特点与优势,下面简单概述一下:
1、普通的减速器体积大、传动效率低;而精密行星齿轮减速机的内部结构紧凑、回程间隙小、体积小、安装方便、承载能力高,应用较为广泛,多用于伺服、步进、直流等传动系统。
爱彩88 2、行星减速机的寿命比普通减速机的要长,运行过程中会产生比较小的噪音。因为一台行星减速机的转矩可达2600000Nm,齿轮都经过渗碳淬火技术处理,得到高硬度的耐磨材料表面,经过齿轮热处理后全部磨齿。
爱彩88 3、普通的减速器和精密行星减速器在制造工艺上来分析,精密行星减速机内部的做工精细,精度高。球墨铸铁制成的行星减速箱体,使箱体的刚性和抗震性都有了很大的提高。
4、行星减速机在做工技术的基础上看起来性能价格较经济实惠,但主要看应用的要求和减速机的精确度以及扭力的大小。
行星减速机在不同的领域有不同的要求,但都有一个共同点,即要求速度高、精度高、稳定性好、转换率高、维护成本低、使用寿命长、噪音小,这是行星减速机的共性。行星减速器广泛应用于医疗设备、印刷设备、模切设备、激光设备、机械手设备、自动化设备、机器人、自动化机床、机床制造等领域。




