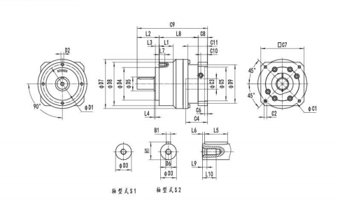
NE070系列精密行星减速器型号尺寸与图纸
爱彩88 NE070系列精密行星减速器型号如下,不同厂家的行星减速机型号表示方式之间有差异,具体型号可咨询客服了解,或者直接拨打我们的联系方式。
NE070系列超精密背隙行星减速机系列(P0): NE070系列精密背隙行星减速器系列(P1): NE070系列标准背隙行星减速机系列(P2):
NE070-4-S2-P0 ,NE070-4-S2-P1,NE070-4-S2-P2,
NE070-5-S2-P0,NE070-5-S2-P1,NE070-5-S2-P2,
NE070-7-S2-P0,NE070-7-S2-P1,NE070-7-S2-P2,
NE070-10-S2-P0,NE070-10-S2-P1,NE070-10-S2-P2,
NE070-16-S2-P0 ,NE070-16-S2-P1,NE070-16-S2-P2,
爱彩88 NE070-20-S2-P0,NE070-20-S2-P1,NE070-20-S2-P2,
NE070-25-S2-P0,NE070-25-S2-P1,NE070-25-S2-P2,
爱彩88 NE070-35-S2-P0,NE070-35-S2-P1,NE070-35-S2-P2,
NE070-40-S2-P0,NE070-40-S2-P1,NE070-40-S2-P2,
爱彩88 NE070-50-S2-P0,NE070-50-S2-P1,NE070-50-S2-P2,
爱彩88 NE070-70-S2-P0,NE070-70-S2-P1,NE070-70-S2-P2,
NE070-100-S2-P0,NE070-100-S2-P1,NE070-100-S2-P2,

爱彩88 行星减速机在工业机械领域是个常客,它可以帮助调节电机的转速和扭矩,提高动力传递效率。制动系统:在再生制动时,起到辅助调节的作用。转向系统:为转向机构提供精准的动力支持。如果想了解更多有关行星减速机的,请打开链接http://italygd.com/jsj/xxjsj/ 或者直接拨打我们首席技术人员13113069953(黄工)微信同号哦。



