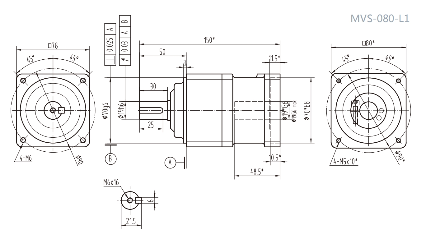
MVS080L1 行星减速机定制流程
在众多工业应用场景中,有时标准的 MVS080L1 行星减速机可能无法完全满足特定的需求,这时候就需要进行定制。以下是 MVS080L1 行星减速机的定制流程:


一、需求沟通与评估
首先,客户与减速机生产厂家进行深入的需求沟通。客户需要详细说明应用场景、工作环境、负载要求、转速需求、精度要求等关键信息。例如,在汽车制造行业的自动化装配线上,对减速机的精度要求极高,以确保汽车零部件的准确安装;而在矿山机械中,减速机需要能够承受较大的冲击负载和恶劣的工作环境。
厂家的技术团队会根据客户提供的信息进行评估,分析定制的可行性和技术难度。他们会考虑减速机的结构设计、材料选择、制造工艺等方面,以确定是否能够满足客户的特殊需求。如果存在技术难题,技术团队会与客户进一步沟通,探讨解决方案。
二、设计方案制定
在确定定制可行后,厂家的工程师会根据客户需求制定详细的设计方案。这个方案包括减速机的整体结构设计、齿轮参数设计、轴的尺寸设计等。
对于结构设计,工程师会考虑如何在满足性能要求的前提下,实现最优化的结构布局,以减小体积、降低重量、提高可靠性。例如,对于需要在狭小空间安装的应用场景,工程师可能会设计出更加紧凑的结构。
齿轮参数设计是关键环节之一。根据客户的转速和扭矩要求,确定合适的齿轮模数、齿数、压力角等参数,以确保减速机能够提供稳定的减速比和足够的扭矩输出。
轴的尺寸设计则需要考虑负载情况和安装方式,确保轴能够承受所需的扭矩和径向力,同时与其他设备的连接方便可靠。
三、样品制作与测试
设计方案确定后,厂家会进行样品制作。在制作过程中,严格按照设计要求选择优质的材料,并采用先进的加工工艺和质量控制手段,确保样品的质量。
样品制作完成后,进行严格的测试。测试内容包括性能测试、可靠性测试、环境适应性测试等。性能测试主要检测减速机的转速、扭矩、精度等参数是否符合设计要求;可靠性测试则模拟实际工作条件,对减速机进行长时间运行测试,以检验其可靠性和耐久性;环境适应性测试则考察减速机在不同温度、湿度、振动等环境条件下的性能表现。
如果测试过程中发现问题,工程师会及时进行分析和改进,直到样品满足所有要求。
四、批量生产与交付
样品通过测试后,厂家开始进行批量生产。在批量生产过程中,严格执行质量控制体系,确保每一台减速机都具有相同的高质量。
同时,厂家会与客户保持密切沟通,及时反馈生产进度和质量情况。在约定的交付时间内,将定制的 MVS080L1 行星减速机交付给客户,并提供相应的安装指导和售后服务。
总之,MVS080L1 行星减速机的定制流程需要客户与厂家的密切合作,通过需求沟通、设计方案制定、样品制作与测试、批量生产与交付等环节,确保定制的减速机能够满足客户的特殊需求,为客户的工业应用提供可靠的动力传输解决方案。



