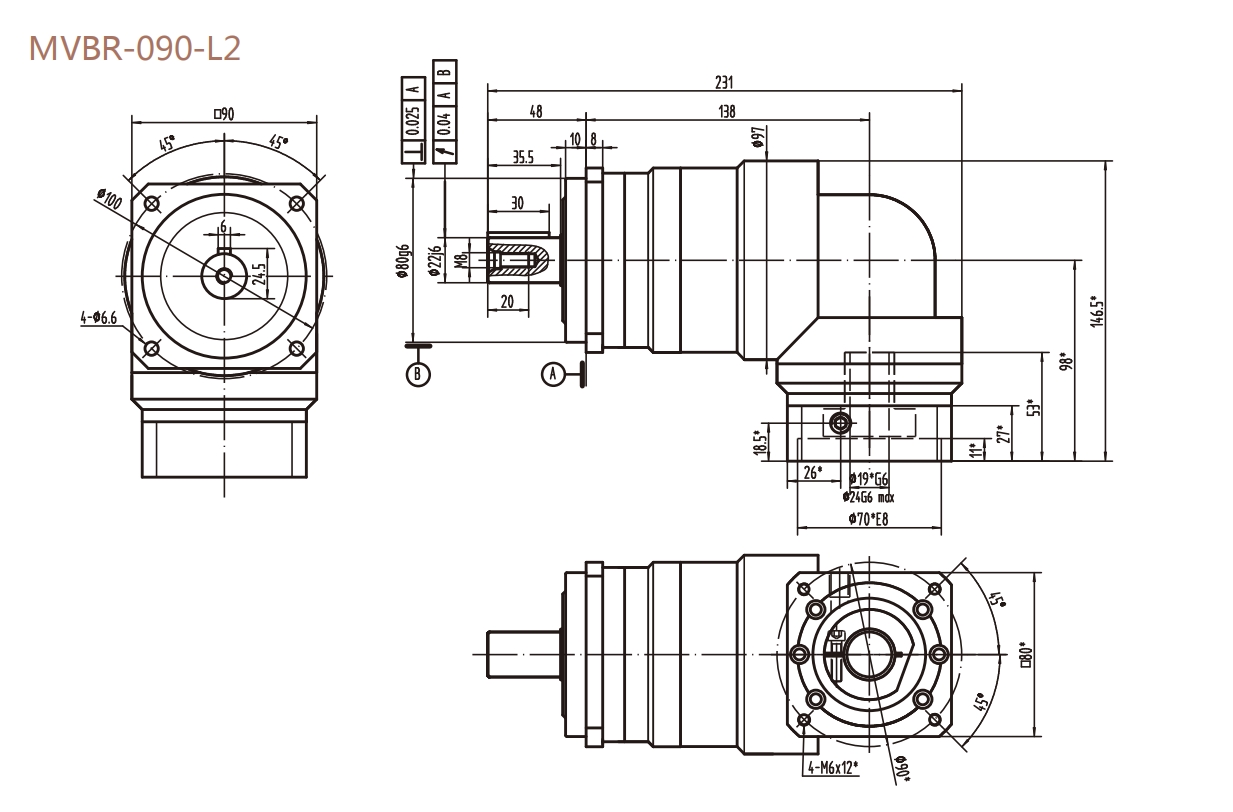
MVBR090L2P0精密行星减速机的装配工艺
在现代工业领域中,精密行星减速机以其高精度、高扭矩、低噪音等特点,成为众多设备的关键传动部件。MVBR090L2P0 精密行星减速机作为一款高性能的产品,其装配工艺的严谨性直接影响着产品的质量和性能。下面详细介绍其装配工艺。

一、装配前的准备工作
零件检查
对所有即将进行装配的零件进行严格的检查。包括齿轮、轴、轴承、箱体等主要部件,确保其尺寸精度、表面质量、硬度等符合设计要求。同时,检查零件是否有损伤、变形等缺陷,如有问题及时进行处理或更换。
清洁工作
爱彩88 将所有零件进行彻底的清洗,去除表面的油污、杂质、锈迹等。可以采用清洗剂进行清洗,然后用干净的布擦干或用压缩空气吹干。确保零件的清洁度对于保证减速机的装配质量至关重要。
工具准备
准备好装配所需的各种工具,如扳手、螺丝刀、锤子、千斤顶、测量工具等。确保工具的精度和可靠性,以保证装配过程的顺利进行。
二、装配过程
箱体组装
爱彩88 首先,将箱体的各个部分进行组装。在组装过程中,要确保箱体的结合面平整、干净,密封垫安装正确,螺栓按照规定的扭矩进行紧固。同时,要检查箱体的内部尺寸是否符合要求,为后续的零件安装做好准备。
齿轮安装
将齿轮按照正确的顺序和方向安装到轴上。在安装过程中,要注意齿轮的啮合间隙符合设计要求,齿轮的轴向定位准确。可以采用专用的工具进行齿轮的安装和调整,确保齿轮的安装精度。
轴承安装
将轴承安装到轴上和箱体上。在安装过程中,要注意轴承的安装方向正确,轴承的游隙符合要求。可以采用专用的工具进行轴承的安装和调整,确保轴承的安装精度。
轴的安装
将安装好齿轮和轴承的轴安装到箱体上。在安装过程中,要注意轴的轴向定位准确,轴的转动灵活。可以采用专用的工具进行轴的安装和调整,确保轴的安装精度。
其他部件安装
爱彩88 安装好减速机的其他部件,如密封件、油标、放油螺塞等。在安装过程中,要注意各个部件的安装位置正确,安装牢固。
爱彩88 三、装配后的检验工作
外观检查
对装配好的减速机进行外观检查,确保减速机的表面无损伤、无变形、无油污等。同时,检查减速机的各个部件的安装位置正确,安装牢固。
空载试验
爱彩88 对装配好的减速机进行空载试验,检查减速机的转动是否灵活,有无异常噪音和振动。在空载试验过程中,要注意观察减速机的各个部位的温度变化情况,确保减速机的温度在正常范围内。
负载试验
对空载试验合格的减速机进行负载试验,检查减速机的承载能力和传动效率是否符合要求。在负载试验过程中,要注意观察减速机的各个部位的温度变化情况、噪音和振动情况,确保减速机在负载情况下能够正常运行。
四、总结
爱彩88 MVBR090L2P0 精密行星减速机的装配工艺是一个严谨而复杂的过程,需要严格按照工艺要求进行操作。只有这样,才能保证减速机的装配质量,确保其在使用过程中能够发挥出优异的性能。同时,随着技术的不断进步,装配工艺也需要不断地进行优化和改进,以适应市场的需求和发展。



