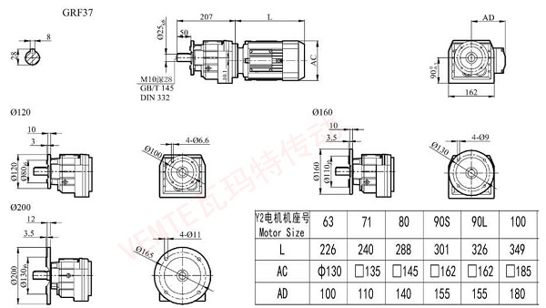
在选择RF37减速机时,需要根据实际应用场景考虑负载能力、扭矩、转速等参数,并选择适合的型号以确保机械设备的正常运行。R37减速机型号如下,不同厂家型号表示方式之间有差异,具体型号可咨询客服了解
| RF37YVPEJ63M4 | RF37YVB63M4 | RF37DM63M4 | RF37DS63M4 | RF37DVE63M4 | RF37DV63M4 |
| RF37YVPEJ71M4 | RF37YVB71M4 | RF37DM71M4 | RF37DS71M4 | RF37DVE71M4 | RF37DV71M4 |
| RF37YVPEJ80M4 | RF37YVB80M4 | RF37DM80M4 | RF37DS80M4 | RF37DVE80M4 | RF37DV80M4 |
| RF37YVPEJ90M4 | RF37YVB90M4 | RF37DM90M4 | RF37DS90M4 | RF37DVE90M4 | RF37DV90M4 |
| RF37YVPEJ100M4 | RF37YVB100M4 | RF37DM100M4 | RF37DS100M4 | RF37DVE100M4 | RF37DV100M4 |
爱彩88在选择RF37减速机时,需要注意以下事项:
确定伺服电机减速机的减速比、传递功率、负载大小等参数,以确定所选型号能够满足实际需求。
爱彩88考虑减速机的适用环境、工作温度、防水防尘等级等,以确保所选型号能够适应实际工作环境。
选择具有良好品牌和信誉的制造商,可以获得更好的产品质量和服务保障。
爱彩88选择具有完善技术支持的制造商,可以在使用过程中获得更好的技术支持和售后服务。
爱彩88在满足实际需求的前提下,选择价格合理、成本较低的RF37减速机型号,可以获得更好的性价比。
此外,还需要根据实际应用场景考虑负载大小、扭矩、转速等参数。例如,在机器人应用中,需要选择具有足够负载能力的减速机,以确保机器人能够正确地执行各种动作。




