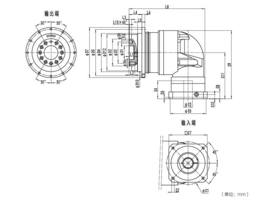
NDR140系列精密行星减速器型号尺寸与图纸
NDR140系列精密行星减速器型号如下,不同厂家的行星减速机型号表示方式之间有差异,具体型号可咨询客服了解,或者直接拨打我们的联系方式。
NDR140系列超精密背隙行星减速机系列(P0): NDR140系列精密背隙行星减速器系列(P1): NDR140系列标准背隙行星减速机系列(P2):
NDR140-4-S2-P0 ,NDR140-4-S2-P1,NDR140-4-S2-P2,
NDR140-5-S2-P0,NDR140-5-S2-P1,NDR140-5-S2-P2,
NDR140-7-S2-P0,NDR140-7-S2-P1,NDR140-7-S2-P2,
NDR140-10-S2-P0,NDR140-10-S2-P1,NDR140-10-S2-P2,
NDR140-16-S2-P0 ,NDR140-16-S2-P1,NDR140-16-S2-P2,
NDR140-20-S2-P0,NDR140-20-S2-P1,NDR140-20-S2-P2,
NDR140-25-S2-P0,NDR140-25-S2-P1,NDR140-25-S2-P2,
NDR140-35-S2-P0,NDR140-35-S2-P1,NDR140-35-S2-P2,
NDR140-40-S2-P0,NDR140-40-S2-P1,NDR140-40-S2-P2,
NDR140-50-S2-P0,NDR140-50-S2-P1,NDR140-50-S2-P2,
NDR140-70-S2-P0,NDR140-70-S2-P1,NDR140-70-S2-P2,
NDR140-100-S2-P0,NDR140-100-S2-P1,NDR140-100-S2-P2,

如果对我们的产品感兴趣,想了解更多可以添加我们的微信,拨打我们的联系方式,我们有更详细的资料,而且提供免费资料,免费为您的电机配型,想了解更多产品请打开链接:http://italygd.com/jsj/xxjsj/



