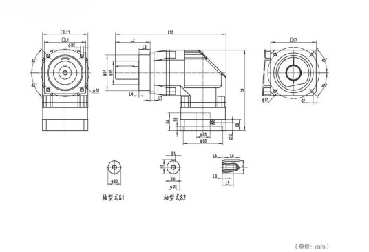
NFR180系列精密行星减速器型号尺寸与图纸
NFR180系列精密行星减速器型号如下,不同厂家的行星减速机爱彩88型号表示方式之间有差异,具体型号可咨询客服了解,或者直接拨打我们的联系方式。
NFR180系列超精密背隙行星减速机系列(P0): NFR180系列精密背隙行星减速器系列(P1): NFR180系列标准背隙行星减速机系列(P2):
|
NFR180超精密背隙行星减速机(P0)
|
NFR180精密背隙行星减速机(P1)
|
NFR180标准背隙行星减速机(P2)
|
|
NFR180-4-S2-P0
|
NFR180-4-S2-P1
|
NFR180-4-S2-P2
|
|
NFR180-5-S2-P0
|
NFR180-5-S2-P1
|
NFR180-5-S2-P2
|
|
NFR180-7-S2-P0
|
NFR180-7-S2-P1
|
NFR180-7-S2-P2
|
|
NFR180-10-S2-P0
|
NFR180-10-S2-P1
|
NFR180-10-S2-P2
|
|
NFR180-16-S2-P0
|
NFR180-16-S2-P1
|
NFR180-16-S2-P2
|
|
NFR180-20-S2-P0
|
NFR180-20-S2-P1
|
NFR180-20-S2-P2
|
|
NFR180-25-S2-P0
|
NFR180-25-S2-P1
|
NFR180-25-S2-P2
|
|
NFR180-35-S2-P0
|
NFR180-35-S2-P1
|
NFR180-35-S2-P2
|
|
NFR180-40-S2-P0
|
NFR180-40-S2-P1
|
NFR180-40-S2-P2
|
|
NFR180-50-S2-P0
|
NFR180-50-S2-P1
|
NFR180-50-S2-P2
|
|
NFR180-70-S2-P0
|
NFR180-70-S2-P1
|
NFR180-70-S2-P2
|
|
NFR180-100-S2-P0
|
NFR180-100-S2-P1
|
NFR180-100-S2-P2
|

行星减速机在工业机械领域是个常客。如火如荼的新能源汽车行业。行星齿轮减速机在新能源汽车领域有广泛的应用,主要包括以下方面:驱动系统:它可以帮助调节电机的转速和扭矩,提高动力传递效率。制动系统:在再生制动时,起到辅助调节的作用。转向系统:为转向机构提供精准的动力支持。如果想了解更多有关行星减速机的,请打开链接http://italygd.com/jsj/xxjsj/ 或者直接拨打我们首席技术人员13113069953(黄工)微信同号哦。



