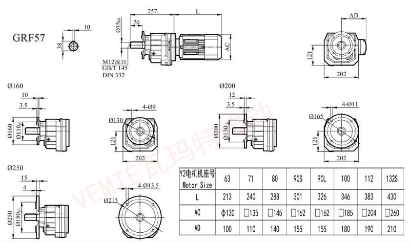
RF57立式安装的硬齿面减速机的选型和保养如下:
RF57减速电机选型:
需要确定以下参数:
爱彩88(1)输出转速和输出扭矩:根据实际应用需求,确定所需的输出转速和输出扭矩。
(2)功率:根据实际应用需求,确定所需的功率。
爱彩88(3)减速比:根据实际应用需求,确定所需的减速比。
爱彩88(4)安装方式:根据实际应用场景,选择立式或卧式安装。
爱彩88(5)使用环境:考虑使用环境是否潮湿、高温、腐蚀性等因素,选择适合的减速机型号。
| RF57YVB63M4 | RF57DM63M4 | RF57DS63M4 | RF57DVE63M4 | RF57DE63M4 | RF57AG63M4 |
| RF57YVB71M4 | RF57DM71M4 | RF57DS71M4 | RF57DVE71M4 | RF57DE71M4 | RF57AG71M4 |
| RF57YVB80M4 | RF57DM80M4 | RF57DS80M4 | RF57DVE80M4 | RF57DE80M4 | RF57AG80M4 |
| RF57YVB90M4 | RF57DM90M4 | RF57DS90M4 | RF57DVE90M4 | RF57DE90M4 | RF57AG90M4 |
| RF57YVB100M4 | RF57DM100M4 | RF57DS100M4 | RF57DVE100M4 | RF57DE100M4 | RF57AG100M4 |
| RF57YVB112M4 | RF57DM112M4 | RF57DS112M4 | RF57DVE112M4 | RF57DE112M4 | RF57AG112M4 |
| RF57YVB132M4 | RF57DM132M4 | RF57DS132M4 | RF57DVE132M4 | RF57DE132M4 | RF57AG132M4 |
保养:
(1)定期检查:定期检查伺服电机减速机爱彩88的外观是否有损坏或松动的部件,如有发现应及时修复或更换。同时检查减速机的润滑状况,确保润滑良好。
爱彩88(2)润滑油的更换和添加:根据减速机的使用情况和制造商的建议,选择适当的润滑油。按照规定的时间间隔更换润滑油,并确保添加足够的润滑油以保持正常的润滑效果。在更换和添加润滑油时,应注意排出旧油,并清洁润滑油箱和滤芯。
(3)防止超载:避免超载使用减速机,以避免设备损坏或失效。
爱彩88(4)正确安装:在安装和使用过程中,要按照说明书的要求正确安装和使用,避免因为安装不当导致设备损坏或失效。




