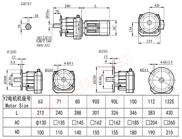
RF67立式斜齿轮硬齿面减速机是一款具有小偏置输出、结构紧凑、最大限度利用箱体空间等特点的设备。它的结构采用了整体式铸造箱体,刚度良好,可以提高轴的强度和轴承寿命。在安装方式上,可以选择减速机为底座式或大小法兰式安装,并配有实心轴输出。此外,输入方式可以是直联电机、轴输入或联接法兰输入。
| RF67AQA63M4 | RF67AQH63M4 | RF67YPE63M4 | RF67P63M4 | RF67D63M4 | RF67YE63M4 |
| RF67AQA71M4 | RF67AQH71M4 | RF67YPE71M4 | RF67P71M4 | RF67D71M4 | RF67YE71M4 |
| RF67AQA80M4 | RF67AQH80M4 | RF67YPE80M4 | RF67P80M4 | RF67D80M4 | RF67YE80M4 |
| RF67AQA90M4 | RF67AQH90M4 | RF67YPE90M4 | RF67P90M4 | RF67D90M4 | RF67YE90M4 |
| RF67AQA100M4 | RF67AQH100M4 | RF67YPE100M4 | RF67P100M4 | RF67D100M4 | RF67YE100M4 |
| RF67AQA112M4 | RF67AQH112M4 | RF67YPE112M4 | RF67P112M4 | RF67D112M4 | RF67YE112M4 |
| RF67AQA132M4 | RF67AQH132M4 | RF67YPE132M4 | RF67P132M4 | RF67D132M4 | RF67YE132M4 |
RF67立式斜齿轮硬齿面减速机的减速比范围广泛,二级减速比为5~24.8,三级减速比为27.2~264,R/R组合可达18125。此外,其平均效率也相当高,二级减速的平均效率为96%,三级减速的平均效率为94%,R/R组合的平均效率为85%。




