爱彩88RF77减速机的型号如下,不同厂家型号表示方式有差异,具体型号可咨询客服了解
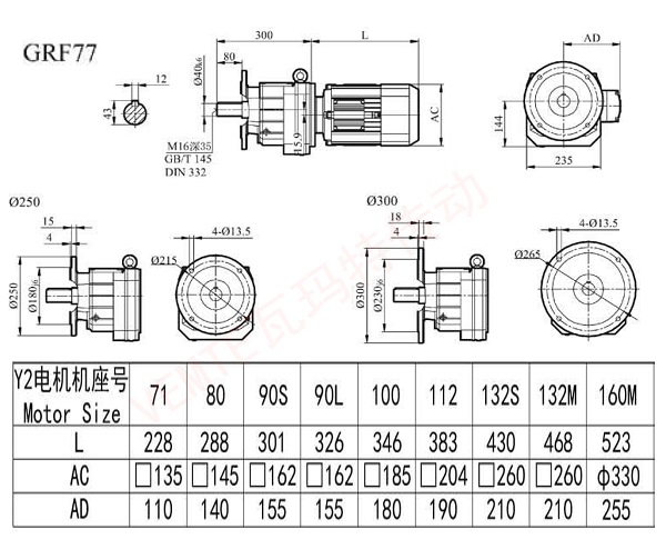
| RF77P71M4 | RF77D71M4 | RF77YE71M4 | RF77YP71M4 | RF77YDP71M4 | RF77DY71M4 |
| RF77P80M4 | RF77D80M4 | RF77YE80M4 | RF77YP80M4 | RF77YDP80M4 | RF77DY80M4 |
| RF77P90M4 | RF77D90M4 | RF77YE90M4 | RF77YP90M4 | RF77YDP90M4 | RF77DY90M4 |
| RF77P100M4 | RF77D100M4 | RF77YE100M4 | RF77YP100M4 | RF77YDP100M4 | RF77DY100M4 |
| RF77P112M4 | RF77D112M4 | RF77YE112M4 | RF77YP112M4 | RF77YDP112M4 | RF77DY112M4 |
| RF77P132M4 | RF77D132M4 | RF77YE132M4 | RF77YP132M4 | RF77YDP132M4 | RF77DY132M4 |
| RF77P160M4 | RF77D160M4 | RF77YE160M4 | RF77YP160M4 | RF77YDP160M4 | RF77DY160M4 |
爱彩88RF77减速机在性能上表现优秀。以下是其主要特点:
结构强度:RF77减速机采用了高强度材料和优化的结构设计,因此具有高强度和高扭矩的特性,能够承受各种重载应用。
效率与寿命:该减速机爱彩88展现了高效率和长寿命的特点,这得益于先进的齿轮设计和加工技术,确保了高精度和高效率,从而提高了设备的性能和使用寿命。
广泛适用性:RF77减速机适用于多种工业领域,如钢铁、矿山、港口、化工等,并可与各种机械设备如输送机、起重机、风机等配合使用。
爱彩88模块化设计:从箱体到内部齿轮,RF77减速机都采用了先进的模块化设计,这不仅减少了零部件的种类和库存量,还大大缩短了交货期,使其更适合规格生产和灵活多变的选型。
爱彩88高品质齿轮:齿轮采用高纯净度合金钢20CrMnTi渗碳淬火,齿面硬度高达60±2HRC,齿面磨削精度高达5-6级。这种高品质的齿轮降低了噪声,并大大提高了减速机的承载能力。
爱彩88耐磨性:蜗轮采用耐磨合金青铜,蜗杆采用新优化设计,运用淬硬磨削工艺,变速机摩擦副件采用了耐磨轴承钢,这些都大大提高了减速机的效率和寿命。
安装与外观:RF77减速机的整体式高强度铸造箱体具有良好的结构刚度,易于提高轴的强度和轴承寿命。同时,铝合金压铸壳体使得产品外观美观、轻巧、散热性好。产品还可匹配各种类型的电动机,安装方式灵活多变,易于客户选用。




